

Трехслойный весовой дозатор с 16 головками 4th G подходит для взвешивания различных зернистых, хлопьевидных, круглых и нестандартных материалов, оборудования и т. Д.

1. Специальный датчик нагрузки с высокой точностью и высоким стандартом.
2. Модульная электрическая плата и интеллектуальный стабильный режим множественного отбора проб делают взвешивание более точным.
3. Интеллектуальная сигнализация неисправности, удобная для обслуживания.
4. Высокая скорость разгрузки, эффективно предотвращает блокировку материалов.
5. Новая высокоинтегрированная модульная конструкция с использованием технологии шины CAN.
6. Протокол связи промышленного стандарта Modbus реализует интерфейс многоголовочного дозатора и упаковочной машины.
1. Основной вибрационный поддон можно использовать для двух видов смешанных материалов.
2. С независимым основным вибратором, соответственно, контролировать толщину различных материалов.
3. Новый ковш с памятью для хранения взвешиваемого материала, увеличения общей вероятности и эффективного повышения точности.
4. Интегральная сварка корпуса машины и среднего сиденья значительно улучшает
прочность машины, сокращает время стабильности бункера.
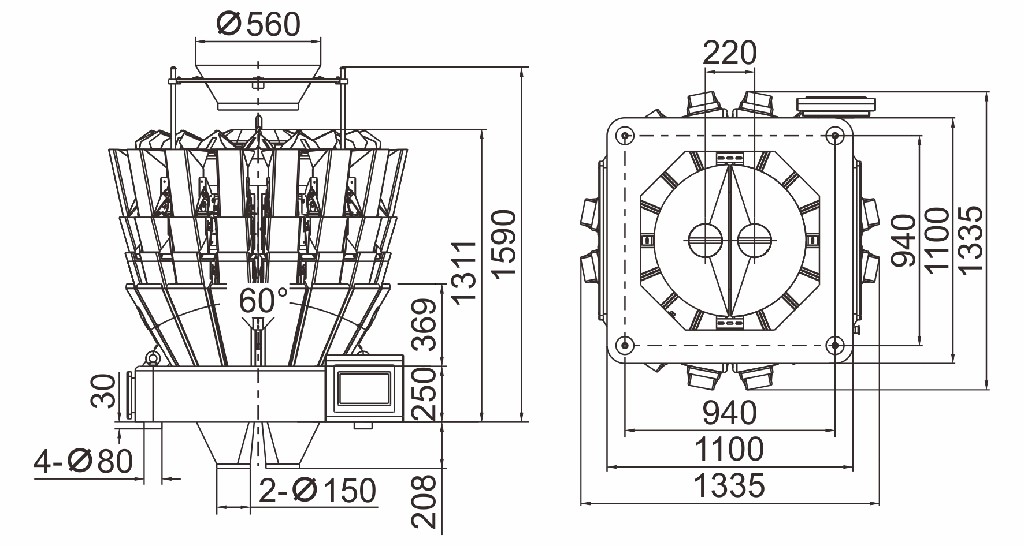
| Модель | JW-A16 |
| Определить код | A16-4-2 |
| Диапазон взвешивания | 10-1000g |
| точность | Х (0,5) |
| Максимальная скорость | 120x2P / М |
| Объем бункера | 1.6L |
| Панель управления | 10,1-дюймовый сенсорный экран |
| Параметры | Пластина с углублениями / бункер для синхронизации / принтер / устройство для отбраковки |
| Система вождения | Шаговый двигатель |
| Требования к мощности | 220V / 2300W / 50/60 Гц / 11A |
| Размер упаковки (мм) | 1860 (L) X1200 (W) x1540 (H) |
| Общий вес | 650kg |



