

Стандартный многоголовочный дозатор подходит для взвешивания небольших гранул, таких как таблетки китайской медицины, чай, кофейные зерна, шоколадные бобы, смородина и другие закуски, оборудование, пластиковые частицы и другие твердые частицы.

1. Специальный датчик нагрузки с высокой точностью и высоким стандартом.
2. Функция восстановления программы может уменьшить сбои в работе и поддерживать многосегментную калибровку веса.
3. Линейную амплитуду можно регулировать независимо.
4. Многие языки доступны для глобальных рынков.
5. Емкость 100 программ может удовлетворить различные требования к взвешиванию, а удобное меню помощи способствует простоте эксплуатации.
1. Новый дизайн машины - серия, элегантный внешний вид.
2. Легкая подвижная конструкция для загрузочной воронки и разгрузочной воронки, которая удобнее чистить.
3. Различные дополнительные принадлежности могут соответствовать различным требованиям к весу.
4. Процесс изготовления пресс-форм и единые стандарты проектирования способствуют лучшей взаимозаменяемости запасных частей.
5. Опция: окрашенный корпус из низкоуглеродистой стали.
| название | 1-й стандартный мультиголовочный дозатор серии G 10heads II из углеродистой стали | 1-й стандартный мультиголовочный дозатор серии G 14heads II из углеродистой стали | 1-й стандартный мультиголовочный дозатор серии G 10heads II | 1-й стандартный мультиголовочный дозатор серии G 14heads II |
| Модель | JW-A10 | JW-A14 | JW-A10 | JW-A14 |
| Определить код | A10-1-17T | A14-1-17T | A10-1-17 | A14-1-17 |
| Диапазон взвешивания | 10-1000g | 10-1500g | 10-1000g | 10-1500g |
| точность | Х (0,5) | Х (0,5) | Х (0,5) | Х (0,5) |
| Максимальная скорость | 65P / М | 120P / М | 65P / М | 120P / М |
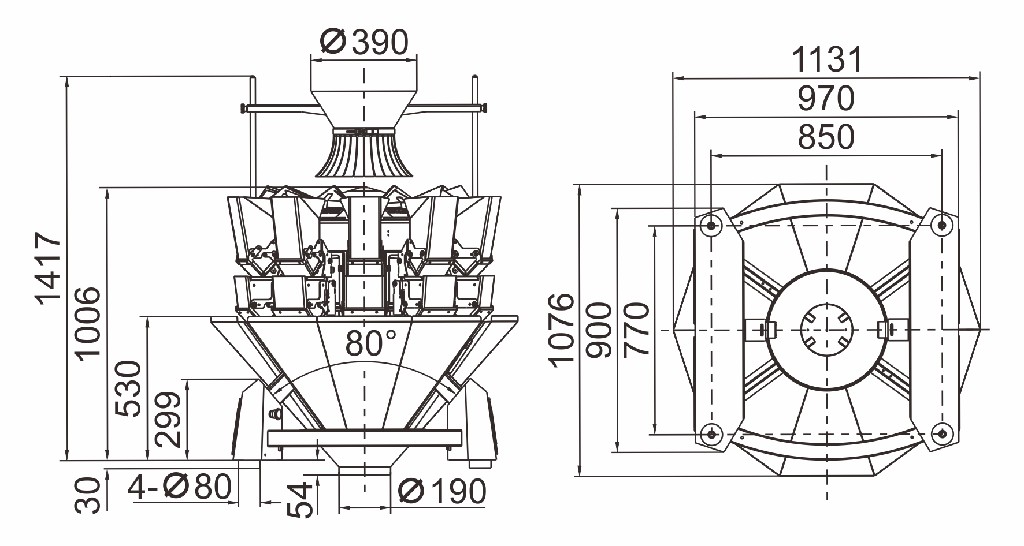
| Объем бункера | 1,6 / 2.5L | |||
| Панель управления | 7-дюймовый сенсорный экран | |||
| Параметры | Пластина с углублениями / бункер для синхронизации / принтер / устройство для отбраковки | |||
| Система вождения | Шаговый двигатель | |||
| Требования к мощности | 220В / 1000Вт / 50 / 60Гц / 8А | 220V / 1200W / 50/60 Гц / 10A | 220V / 1000W / 50/60 Гц / 8A | 220V / 1200W / 50/60 Гц / 10A |
| Размер упаковки (мм) | 1770 (L) X1100 (W) x1190 (H) | 1770 (L) X1100 (W) x1190 (H) | 1770 (L) X1100 (W) x1190 (H) | 1770 (L) X1100 (W) x1190 (H) |
| Общий вес | 370kg | 470kg | 370kg | 470kg |



