

Мини-мультиголовочный дозатор подходит для взвешивания небольших гранул, таких как таблетки китайской медицины, чай, кофейные зерна, шоколадные бобы, смородина и другие закуски, оборудование, пластиковые частицы и другие твердые частицы.

1. Специальный датчик нагрузки с высокой точностью и высоким стандартом.
2. Функция восстановления программы может уменьшить сбои в работе и поддерживать многосегментную калибровку веса.
3. Линейную амплитуду можно регулировать независимо.
4. Многие языки доступны для глобальных рынков.
5. Емкость 100 программ может удовлетворить различные требования к взвешиванию, а удобное меню помощи способствует простоте эксплуатации.
1. Новый дизайн машины - II серия, элегантный внешний вид.
2. Легкая подвижная конструкция для загрузочной и разгрузочной воронок, что делает ее более удобной для очистки.
3. Используйте тип взвешивания для обнаружения материала, чтобы точно контролировать время подачи и толщину материала, а также гарантировать точность взвешивания.
4. V-образный лоток подачи, специально разработанный для небольшого целевого веса, чтобы гарантировать равномерное кормление и точность взвешивания.
5. Новый двойной параллельный линейный вибратор снижает вибрацию, привод с боковым приводом делает считывание более точным, а точность взвешивания - более высокой.
| название | 1-й мини-мультиголовочный дозатор серии G 10heads II | 1-я серия мини-мультиголовочных дозаторов G 14heads |
| Модель | JW-A10 | JW-A14 |
| Определить код | AS10-1-17 | AS14-1-17 |
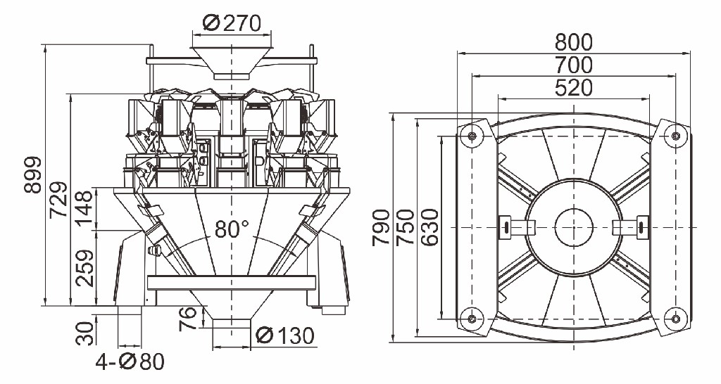
| Диапазон взвешивания | 2-200g | 2-200g |
| точность | Х (0,5) | Х (0,5) |
| Максимальная скорость | 60P / М | 120P / М |
| Объем бункера | 0.5L | |
| Панель управления | 7-дюймовый сенсорный экран | |
| Параметры | Пластина с углублениями / бункер для синхронизации / принтер / устройство для отбраковки | |
| Система вождения | Шаговый двигатель | |
| Требования к мощности | 220V / 800W / 50/60 Гц / 8A | 220V / 1100W / 50/60 Гц / 10A |
| Размер упаковки (мм) | 1160 (L) X900 (W) X900 (H) | 1160 (L) X900 (W) X900 (H) |
| Общий вес | 210kg | 230kg |



